
(1)控制要求
某实验需在恒压环境下进行,压力应维持在50Pa。按下启动按钮轴流风机M1、M2同时全速运行,当室内压力达到60Pa时,轴流风机M1停止,改由轴流风机M2进行PID调节,将压力维持在50Pa;若有人开门出入,系统压力会骤降,当压力低于10Pa时,两台轴流风机将全速运转,直到压力再次达到60Pa,轴流风机M1停止,又回到了改由轴流风机M2进行PID调节状态。
(2)设计方案确定
①室内压力取样由压力变送器完成,思考压力最大不超过60Pa,因此选择量程为0~500Pa,输出信号为4~20mA的压力变送器。注意:小量程的压力变送器市面上不容易找到。
轴流风机M1通断由接触器来控制,轴流风机M2由变频器来控制。
轴流风机的动作,压力采集后的处理,变频器的控制均由S7-200SMART PLC来完成。
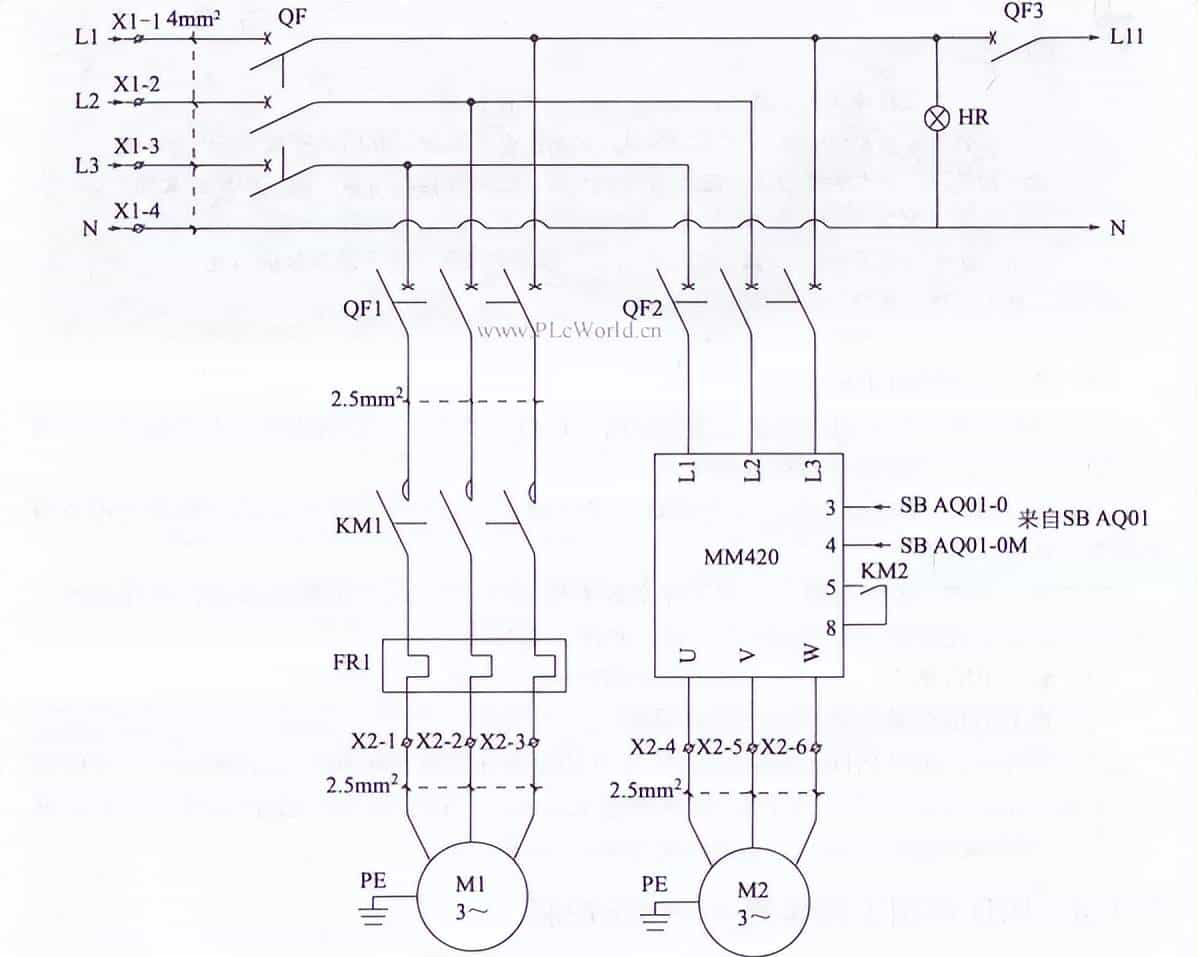
(3)硬件图纸设计
本项目硬件图纸的设计包括以下几部分。①两台轴流风机主电路设计。
②西门子CPU SR30模块供电和控制设计。
以上各部分的相应图纸如图5-22(a)~(b)所示。


4)硬件组态
恒压控制硬件组态,如图5-23所示。

(5)程序设计
恒压控制程序如图5-24所示。本项目程序的编写主要思考3方面,具体如下。
①两台轴流风机启停控制程序的编写。两台轴流风机启停控制比较简单,采用启保停电路即可。使用启保停电路的关键是找到启动和停止信号,轴流风机M1的启动信号一个是启动按钮所给的信号,另一个为当压力低于10Pa时,比较指令所给的信号,两个信号是或的关系,因此并联;轴流风机M1控制的停止信号为当压力为60Pa时,比较指令通过中间编程元件所给的信号。轴流风机M2的启动信号为启动按钮所给的信号,停止信号为停止按钮所给的信号,若不按停止按钮,整个过程M2始终为ON。

压力信号采集程序的编写。笔者不只一次强调,解决此问题的关键在于找到实际物理量压力与内码AIW16之间的比例关系。压力变送器的量程为0~500Pa,其输出信号为4~20mA,EM AE04模拟量输入通道的信号范围为0~20mA,内码范围为0~27648,故不难找出压力与内码的对应关系,对应关系为P=5(AIW16-5530)/222,其中P为压力。


因此压力信号采集程序编写实际上就是用SUB-DI,MUL-DI,DIV-DI指令表达出上述这种关系,此时得到的结果为双字,再用DI-R指令将双字转换为实数,这样做有两点思考,第一得到的压力为实数比较准确,第二此段程序恰好也是PID控制输入回路的转换程序,因此必须转换为实数。
PID控制程序的编写。PID控制程序的编写主要思考4个方面。
a.PID初始化参数设定。主要涉及给定值、增益、采样时间、积分时间常数和微分时间常数这5个参数的设定。给定值为0.0~1.0的数,其中压力恒为50Pa,50Pa为工程量,需将工程量转换为0.0~1.0的数,故将实际压力50Pa比上量程500Pa,即DIV-R50.0,500.0。寻找合适的增益值和积分时间常数时,需将增益赋1个较小的数值,将积分时间常数赋1个较大的值,其目的为系统不会出现较大的超调量,多次试验,最后得出合理的结果,微分时间常数一般设置为0。
b.输入量的转换及标准化。输入量的转换程序即压力信号采集程序,输入量的转换程序最后得到的结果为实数,需将此实数转换为0.0~1.0的标准数值,故将VD40中的实数上量程 500Pa。
c.编写 PID指令
d.将PID回路输出转换为成比例的整数;故VD52中的数先除以27648.0(为单极型),接下来将实数四舍五入转化为双字,再将双字转化为字送至AQW12中,从而完成了PID控制。






收藏了
挺详细的,学习了
学习了,学习编程思路,就是程序中注释的字看不太清,
好
太到位了
厉害厉害
可以用向导
收藏了,感谢分享