在设计中常常会遇到钢梁与混凝土梁连接的情况,都有哪些连接做法呢?
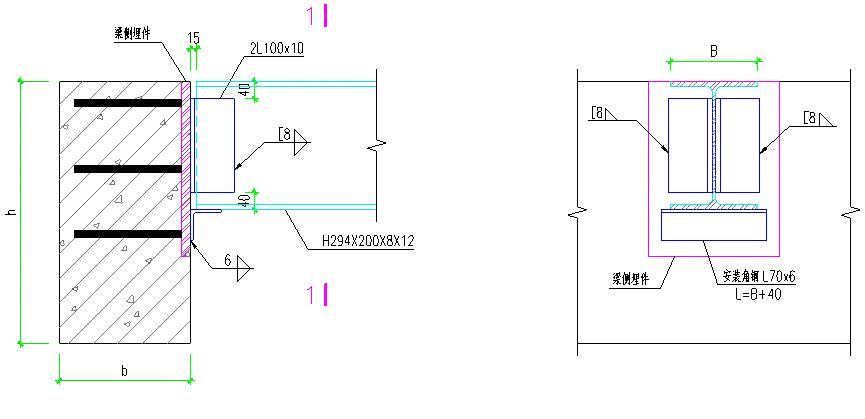
a在混凝土梁侧面预埋钢板埋件,钢梁通过角钢与混凝土梁侧面的埋件用焊接连接,埋件及焊缝应计算确定;也可用单、双连接板通过高强度螺栓连接。当梁的宽度较小,埋件的锚筋锚固长度不能满足时,设置双夹板埋件。

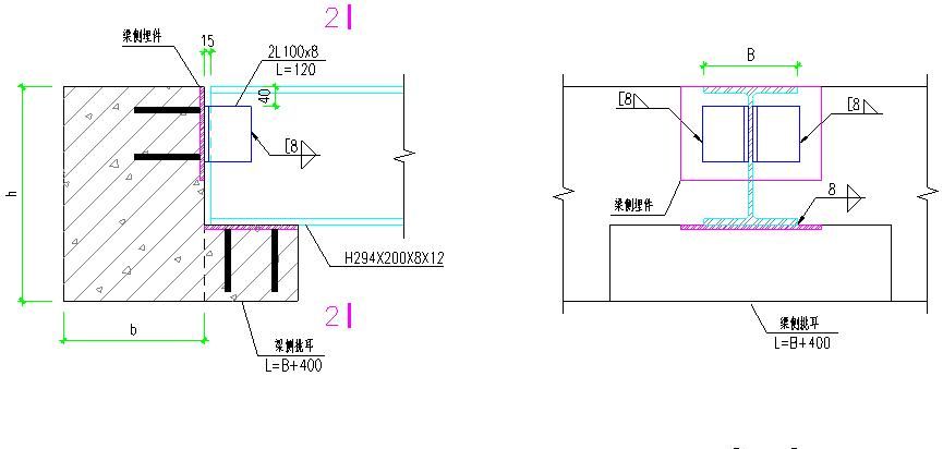
b在混凝土梁侧面做挑耳,钢梁置于挑耳上,挑耳截面应进行抗弯和抗剪计算,当梁截面较大时,支座端部应设支撑加劲肋。

c对于截面宽度很大的混凝土梁,钢梁可以插入混凝土梁中,钢梁下方需要设暗梁,附加箍筋和吊筋应由计算确定,腹板两侧及梁底设置锚筋。当梁高度较大时应设支撑加劲肋。

© 版权声明
文章版权归作者所有,未经允许请勿转载。如内容涉嫌侵权,请在本页底部进入<联系我们>进行举报投诉!
THE END




















- 最新
- 最热
只看作者