通过cube建立工程



RCC设置为外部晶振


高速晶振对应的引脚会亮起

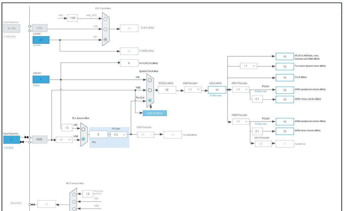
进入clock configuration进行时钟配置,输入频率8M盒子
PLL Source Mu改为使用外部时钟HSE,系统时钟System Clock Mux使用PLLCLK,并且使能CSS

将所需引脚配置为GPIO_OUTPUT

GPIO标签内修改引脚信息

最后提议在这里把Debug打开,不然可能后来就没法从JTAG调试,只能通过串口烧写程序了。

在project manager标签写好工程名称和目录

选择generate report,成功生产project reports(这步并不必要)


点击code generator,依据需要选择,然后在右上角GENERATE CODE

目录下即获得工程

在MDK-ARM目录下的以.uvprojx可以直接用keil打开

我们熟悉的main.c就在”Application/User/Core” 目录之下
程序编写与下载
简单的编写,我甚至不想写标题
HAL生成的其他东西我们后来再看,今天就单纯地让它跑起来跑马灯,第一我们定位到main函数这里,可以看到预留了许多USER CODE的位置

这里的HAL_GPIO_TogglePin()是Cube自动生成的函数,意思是引脚反转,delay同样顾名思义。
JLINK仿真器下载
这里设备一直保持BOOT0置低就可以了

然后点开settings,选择SW或者JTAG模式

在keil中直接DOWNLOAD就可以了,十分省事。

串口方式下载
通过串口将设备与电脑相连
记得这种下载方式要设置BOOT0为1,BOOT1为0
我这里选用了意法半导体官方的Flash Loader Demonstrator,选好文件和COM口后开始编程

识别成功的话能看到flash的大小

甚至可以看到具体的页

选择我们刚刚生成的hex文件,next

文件是此目录下的HEX文件

如果没有的话检查一下keil是否设置为生成hex

ok下载成功

给板子断电,然后把boot0恢复到低电平位置(不要带电操作)
上电!

ok,led亮了。
















- 最新
- 最热
只看作者