单位: 中国工程建设标准化协会电气专业委员会
中船第九设计研究院工程有限公司
批准单位: 中 国 工 程 建 设 标 准 化 协 会
施行日期: 2 0 1 8 年 3 月 1 日
前言
根据中国工程建设标准化协会《关于印发(2015年第二批工程建设协会标准制订、修订计划)的通知》建标协字(20151044号)的要求,由中国工程建设协会电气专业委员会、中船第九设计研究院工程有限公司会同有关单位对原《钢制电缆桥架工程设计规范》CECS 31:2006进行修订而成。
本规程在修订过程中,修订组总结和分析了原规范的执行情况,结合近十年我国钢制电缆桥架工程技术的发展,进行了大量的研究和调查,广泛征求全国有关生产、设计和安装等单位的意见最后经审查定稿。
本规程共分5章和3个附录。主要技术内容包括:总则、术语、电缆桥架、电缆桥架工程设计、电缆桥架安装及验收等。本次主要修改内容为:
1.增强了电缆桥架工程设计内容,增加了电缆桥架工程安装与验收章节,内容涵盖钢制电缆桥架生产、工程设计和施工,并将规范名称改为《钢制电缆桥架工程技术规程》;
2.要求钢制电缆桥架产品设计应第一采用结构计算方法,试验只是用于对计算结果验证或对产品质量进行检验,这项要求有利于钢制电缆桥架产品结构的优化;
3.钢制电缆桥架试验方法有所改变,增加了对宽度方向的挠度要求;
4.增加了新型钢制电缆桥架产品数据及技术要求。
本规程由中国工程建设标准化协会电气专业委员会(北京广安门南滨河路23号,邮政编码:100055)归口管理并负责解释。在执行过程中,如发现需要修改或补充之处,请将意见和提议寄送解释单位。
主编单位: 中国工程建设协会电气专业委员会
中船第九设计研究院工程有限公司
参编单位: 上海樟祥电器成套有限公司
华东电力设计院有限公司
中石化上海工程有限公司
上海隧道工程轨道交通设计研究院
申都设计集团有限公司
苏州一科科建建筑设计院
北京双圆工程咨询监理有限公司
上海市安装工程集团有限公司
罗格朗低压电器(无锡)有限公司
上海申捷管业科技有限公司
江苏万奇电器集团有限公司
江苏超宇电气有限公司
马鞍山马钢欧邦彩板科技有限公司
主要起草人: 高小平 邱震宇 郭军 王志强 马纪财 应 伟 丁 超 李彤军马超群 杨桃锋 周卫 新晨 徐沪安 王常余 周卫新 王晨 任永宁 徐沪安 曹国祥 江强 周勇 何平 谢炜 孙斌 王伟 杨杰
主要审查人: 沈育祥 余小军 陆继诚 赵旭千 倪建公 罗晓萍 谈莹
沈永明
1 总则
1.0.1 为保证钢制电缆桥架的制造、工程设计、安装及验收做到技术先进、经济合理、安全适用,确保工程质量,制定本规程。
1.0.2本规程适用于工业与民用建筑中钢制电缆桥架的制造、工程设计、安装及验收,不适用于钢制耐火电缆桥架制造。
1.0.3 钢制电缆桥架工程设计应与建筑、结构、工艺以及其他有关专业设计密切配合,确定合理的电缆桥架敷设路径,同时还应满足安装、维护以及电缆敷设的需求。
1.0.4 钢制电缆桥架产品应通过国家认可的质量检测机构检测合格后方可使用;钢制电缆桥架新产品应通过有资质的专业机构鉴定。
1.0.5钢制电缆桥架的制造、工程设计、安装及验收,除应执行本规程外,尚应符合国家现行有关标准的规定。
2 术语
2.0.1 电缆桥架cable supporting system
由主体(托盘或梯架)、附件和支、吊架等部件构成,用于支承电缆线路且具有必定刚度的结构系统。
2.0.2 电缆托盘cable tray
由底板和侧板组成,用于直接承托电缆荷重的刚性槽形部件,简称为托盘。
2.0.3 平板型托盘llat cable tray
底板、侧板采用平板弯制或拼接构成的托盘
2.0.4 波纹底托盘corrugated bottom cable tray
由侧板和整块横向波纹底板构成的托盘
2.0.5 模压增强底托盘reinforced bottom cable tray
由模压的侧板与设置横向加强筋底板构成的整体式托盘
2.0.6 瓦楞型托盘corrugated base cable tray
由冷弯成凹凸结构的底板与侧板焊接构成的托盘
2.0.7 网格式金属电缆托盘metal wire mesh cable tray
由横向和纵向钢丝以必定的间距按正交形式组合焊接形成平面网格后再折弯成型的整体式托盘。
2.0.8 电缆梯架cable ladder
由侧板与若干根横档构成并具有必定刚度的梯形部件,简称为梯架。
2.0.9卡接式梯架clamping type cable ladder
侧板与横档具有相应结构,并以相互卡接方式连接而成的梯架。
2.0.10 瓦楞型梯架light corrugated base cable ladder
由冷弯成凹凸结构的侧板与横档构成的梯架
2.0.1l 模压增强型梯架pressing reinlorced cable ladder
由模压增强的侧板与横档拼装构成的梯架。
2.0.12 弯通bend-fitting
一段改变托盘、梯架方向的连接段。
2.0.13 弯通的弯曲半径bend-fitting radius
弯通的两条内侧直角边的内切圆半径,简称弯曲半径。
2.0.14 安全工作载荷safe working load(SWl,)
在正常使用中可安全施加的最大载荷。
2.0.15 彩色涂层钢板prepainted steel sheet
采用预涂装技术,将冷轧钢板连续经过热浸镀锌、表面化学处理后,再涂覆耐腐有机涂层,经烘烤固化而制成的产品,彩色涂层钢板(简称彩钢板)。
2.0.16 耐腐气相缓蚀(VCI)双金属无机涂层sion VCl double metal inorganic coatinghigh anti-ero-
应用气相缓蚀剂(VCI)技术,以鳞片状锌粉、鳞片状铝粉为填料,以硅酸盐为粘结剂,表面具有导电性的无机复合涂层。
3 电缆桥架
3.1 电缆桥架的组成
3.1.1电缆桥架应由主体、附件和支、吊架组成。
3.1.2电缆桥架主体应包括托盘、梯架的直线段及其弯通。
3.2 电缆桥架主体的类型和品种。
3.2.1常用电缆桥架主体应包括下列类型:
1.无孔托盘;
2.有孔托盘;
3.网格式托盘;
4.梯架。
3.2.2 托盘、梯架的产品应包括下列品种:
1.等宽度直线段或变宽度直线段;
2.水平或垂直弯通,按30°、45°、60°、90°改变方向;
3.水平或垂直三通、四通,分等宽度、变宽度两种。
3.3 附件及支、吊架
3.3.1电缆桥架附件应包括下列品种
1.各种连接板;
2.盖板;
3.隔板;
4.压板;
5.终端板;
6.引下件;
7.紧固件;
8.跨接线.
3.3.2 支、吊架应包括下列品种:
1.托臂:分卡接式、螺栓固定式;
2.立柱:分工字钢、槽钢、角钢、异型钢立柱;
3.吊架:分圆钢单、双杆式,角钢单、双杆式,工字钢单、双杆式;槽钢单、双杆式,异型钢单、双杆式;
4.其他固定支架:如垂直,斜面等固定用支架
3.4型号和规格
3.4.1电缆桥架型号应包括下列内容
1.名称:可用大写汉语拼音第一个字母表明
2.结构形式:无孔托盘(P1)、有孔托盘(P2)、梯架(T);
3.规格:托盘、梯架的直线段和弯通依次标明宽度、高度;附件和支吊架标明一个或几个主要技术特性的尺寸;
4.防腐层类别:分彩钢复合涂层(CQ)耐腐VCI双金属复合涂层(Vs)、热浸镀锌(R)、电镀锌(D)粉末喷涂(P)其他(T)同一防腐层类别如根据不同的环境条件需要细分时,应注明细分代号;
5.材质:不锈钢(S)。
3.4.2 托盘、梯架常用规格系列尺寸宜符合表3.4.2-1的规定,宽度600mm及以上规格不适用于平板型托盘。网格式金属电缆托盘直线段的常用规格宜符合表3.4.2-2规定

表3.4.2-1 托盘、梯架常用规格系列(mm)

续表

表3.4.2-2 网格式金属电缆托盘直线段的常用规格(mm)
3.4.3 托盘、梯架的直线段单件标准长度宜为2000mm;网格式金属电缆托盘直线段长度宜为3000mm。3.4.4 弯通的内角不应为直角,工程常用的弯通宽度与其弯曲半径配合尺寸应符合表3.4.4的规定。

表3.4.4 托盘、梯架常用的弯通宽度与其弯曲半径配合尺寸(mm)
3.4.5 有孔托盘底部通风孔面积应在托盘底部总面积的30%~40%范围内。
3.4.6 梯架直线段横档或压增强底托盘直线段底部加强筋应均匀布置,梯架横档的中心间距不应大于300mm,载荷等级B级及以上的模压增强底托盘底部加强筋中心间距不应大于250mm;弯通的横档或加强筋间中心距取其1/2长度处。
3.4.7梯架横档宽度不应小于20mm,横档高度不应小于20mm.
3.4.8支、吊架或立柱上固定托臂的开孔位置或焊接位置·应满足托盘、梯架多层设置时层间中心距为200mm、250mm、300mm350mm的要求。
3.4.9各种附件和支、吊架在满足相应载荷的条件下,其规格尺寸应配合托盘、梯架确定。
3.5 材质及载荷特性
3.5.1 托盘、梯架的材质宜采用冷轧钢板,当板材厚度大于2mm时可采用热轧钢板。其材质应符合现行国家标准《碳素结构钢》GB/T700中Q235钢的要求及《碳素结构钢冷轧钢带》GB/T716、碳素结构钢和低合金结构钢热轧薄钢板及钢带》GB912和《连续热镀锌钢板及钢带》GB/T2518的有关规定。
3.5.2 彩色涂层钢板托盘、梯架材质应符合现行国家标准《彩色涂层钢板及钢带》GB/T12754的有关规定。
3.5.3 网格式金属电缆托盘材质应符合现行国家标准《优质碳素结构钢》GB/T699的有关规定。
3.5.4电缆桥架采用不锈钢材质时,应采用材料牌号为06Cr19Ni10N、022Cr19Ni10N或022Cr17Ni12Mo2的不锈钢。
3.5.5 当满足安全工作载荷(SWL),且直线段长度为2000mm时,各类型托盘板材的最小允许厚度应符合表3.5.5-1、表3.5.52所列数值,各类型梯架板材的最小允许厚度应符合表3.5.5-3~表3.5.5-5所列数值。

表3.5.5-1 各类托盘板材最小允许厚度(mm)

表3.5.5-2瓦楞式托盘、梯架板材最小允许厚度(mm)

表3.5.5-3 普通梯架板材最小允许厚度(mm)

表3.5.5-4 模压增强型梯架板材最小允许厚度(mm)

表3.5.5-5 卡接式梯架板材最小允许厚度(mm)
注:宽度超过600mm以上的卡接式梯架板材厚度依据实际承载需求与客户另行约定。
3.5.6 托盘、梯架的安全工作载荷(SWL)分级应符合表3.5.6-1的规定;托盘、梯架的常用规格及安全工作载荷等级应符合表3.5.6-2的规定,当支、吊架跨距大于2000mm时,其安全工作载荷值也可由制造厂另行提供。

表3.5.6-1 托盘、梯架安全工作载荷(SWL)

表3.5.6-2 托盘、梯架的常用规格及安全工作载荷等级对应表
3.5.7 网格式金属电缆托盘的载荷性能应符合现行行业标准《建筑用网格式金属电缆桥架》JG/T491的有关规定。
3.5.8不锈钢电缆桥架的载荷性能应符合现行协会标准《不锈钢结构技术规程》CECS410的有关规定。
3.5.9 托盘、梯架和支、吊架的结构及连接节点,应满足强度、刚度和稳定性的要求,其计算原则可按本规程附录A的规定执行。
3.5.10 托盘、梯架的载荷能力应按本规程附录B载荷试验的规定予以验证;托盘、梯架施加1.5倍的安全工作载荷卸载后,不应出现永久变形。
3.5.11 托盘、梯架在承受安全工作载荷时的相对挠度不应大于其跨距的 1/200。
3.5.12 各种型式的支、吊架,应能承受设计要求中相应规格托盘、梯架的安全工作载荷的总重及其自重,吊架横档或侧壁固定的托臂承受安全工作载荷时的最大相对挠度不应大于其长度的1/100。
3.5.13连接板、连接螺栓等附件的材质强度应与托盘、梯架等材质匹配
3.5.14 生产厂应提供各种型式规格的托盘、梯架的跨距与安全工作载荷的关系曲线或数据表。
3.6 防腐
3.6.1 托盘、梯架用彩色涂层钢板防腐涂层的技术指标,应符合表 3.6.1的规定。

表3.6.1 托盘、梯架用彩色涂层钢板防腐层技术指标
3.6.2 耐腐气相缓蚀(VCI)双金属无机防腐涂层的技术指标,应符合表3.6.2的规定。

表3.6.2 耐腐气相缓蚀(VCI)双金属无机防腐层技术指标
3.6.3热浸镀锌防腐层的技术指标,应符合表3.6.3的规定。

表3.6.3 热浸镀锌防腐层技术指标

续表
注: 1.螺栓及弹性部件采用渗锌工艺;
2.采用工厂化热镀锌板时·镀层厚度应符合现行国家标准《连续热镀锌钢板及钢带》GB/T2518中Z600的规定。
3.6.4 电镀锌防腐层的技术指标,应符合表3.6.4的规定。

表3.6.4 电镀锌防腐层技术指标
表3.6.5 喷涂粉末防腐层技术指标应符合表3.6.5的规定。

3.6.5 喷涂粉末防腐层的技术指标
3.6.6 镀锌后外覆粉末静电喷涂复合防腐层的技术指标,应分别符合本规程第3.6.3条~第3.6.5条的规定。
3.6.7 经防腐处理的电缆桥架,应按本规程第3.8.2条的规定作试验验证。经过交变湿热、盐雾、化学试验后,热浸镀锌、耐腐气相缓蚀(VCI)双金属无机涂层、电镀锌等金属无机镀、涂层试样表面应无明显腐蚀现象,彩色涂层钢板、喷塑、喷漆等有机涂层试样表面应无明显起泡、脱层和腐蚀现象;经过紫外线老化试验后,彩色涂层钢板、喷塑、喷漆等有机涂层试样表面光泽保持率不应低于50%,且表面应无气泡产生。
3.6.8 其他防腐处理的电缆桥架,应按本规程第3.8.2条的规定试验验证,并应具有明确的技术指标和检测方法。
3.7 其他技术要求
3.7.1 焊缝的抗拉、屈服等力学性能不应低于本体材料的力学性能,焊缝表面应均匀.不应有漏焊、裂纹、夹渣、烧穿、弧坑等缺陷并应达到现行国家标准《钢结构工程施工质量验收规范》GB50205的三级要求。镀锌钢板焊接宜采用低温熔化极惰性气体保护焊(MIG)工艺。
3.7.2彩色涂层钢板托盘和梯架,制作时不得采用可能造成涂层损伤的生产工艺,加工时板材表面应覆膜保护,切口断面及开孔处应采用涂层修复措施或设置密封防护件。彩色涂层钢板铆接应采用无损工艺,铆接点应牢固。
3.7.3 网格式金属电缆桥架的焊接点不应有烧结、焊渣,钢丝断面应平整无披锋,不应有尖锐毛刺和凸起。金属网格内每两根交叉钢丝之间的焊接点应能承受不小于5000N的拉力,金属网格边缘每个焊接点应能承受不小于4000N的拉力。试验后,焊接点处应无可见的裂纹。
3.7.4 钢制托盘、梯架接头处的连接电阻不应超过50mΩ。
3.7.5电缆桥架采用复合涂层防腐时,为确保电气连续性,紧固件与复合涂层间应配用渗锌65锰钢外锯齿锁紧垫圈。
3.8 试验
3.8.1 托盘、梯架载荷试验和挠度测量应按本规程附录B的规定执行。
3.8.2 各类电缆桥架防腐蚀试验标准及周期应符合表3.8.2-1、第3.8.2-2的规定。

表3.8.2-1 普通电缆桥架防腐蚀试验标准及周期
注:紫外线为60℃8h,冷凝为50℃4h,只对防护层为涂料的桥架进行考核。

表3.8.2-2各类复合涂层及不锈钢电缆桥架防腐蚀试验周期
3.8.3托盘、梯架镀锌层性能试验应符合下列规定:
1.厚度应采用附着量试验法或测厚仪器测定;
2.附着力应按现行国家标准《金属基体上的金属覆盖层(电沉积层和化学沉积层)附着强度试验方法》GB/T5270中的划线划格法测定;
3.热浸镀锌均匀性应采用硫酸铜试验方法测定。
3.8.4托盘、梯架涂层性能试验应符合下列规定:
1.厚度应按现行国家标准《漆膜厚度测定法》GB/T1764的1有关规定或采用测厚仪器测定;
2.附着力应按现行国家标准《色漆和清漆漆膜的划格试验》GB/T9286的有关规定测定;
3.柔韧性应按现行国家标准《漆膜柔韧性测定法》GB/T1731的有关规定测定;
4.冲击强度应按现行国家标准《漆膜耐冲击测定法》GB/T1732的有关规定测定。
3.8.5 托盘、梯架的电气连续性应按本规程附录C的方法测定。
3.8.6 网格式金属电缆托盘的试验应符合现行行业标准《建筑用网格式金属电缆桥架》JG/T491的有关规定。
3.9 检验
3.9.1 产品出厂检验应符合下列规定:
1.外观质量应全检;
2.尺寸精度应抽检;
3.防腐层厚度和附着力应抽检;
4.焊接质量应全检;
5.防腐涂层均匀性应抽检
3.9.2有下列情况之一时,应进行型式检验:
1.托盘、梯架新产品试制鉴定;
2.正式生产后,材料、结构、工艺有较大改变;
3.产品停产3年后恢复生产
4.国家质量检测机构或认证组织要求对该产品进行型式检验。
3.9.3型式检验项目应包括本规程第3.5节~第3.8节的有关项目。
3.9.4产品抽样及判定应符合下列规定:
1.样品应为随机抽样,抽检数量为每批产品的2%,但不宜少于3件,允许载荷试验样品仅取1件;
2.每批产品样品中有1件不合格时,可再在同批产品中抽取一件进行检验,当仍不合格,则判定该批产品为不合格;
3.防腐层质量,可允许直接对产品或同一材料一样工艺制作的样品进行检验。
3.9.5 网格式金属电缆托盘的检验应符合现行行业标准《建筑用网格式金属电缆桥架》G/T491的有关规定。
4 电缆桥架工程设计
4.1 -般规定
4.1.1 除安装在机房、管廊等电缆专用通道内或有工艺要求外,电缆桥架水平敷设时底部距地面的高度不宜低于2500mm,垂直敷设时距地面1800mm以下部分应加金属盖板保护。4.1.2电缆桥架转弯处的弯曲半径,不应小于其内各电缆最小允许弯曲半径的最大值。
4.1.3 电缆桥架多层安装时,其层间净距离和最上、下层至建(构)筑物的净距离应符合表4.1.3的规定。

表4.1.3 电缆桥架层间和最上、下层至建(构)筑物的净距离
注:间距选择以下层桥架内电缆规格为准,
4.1.4 电缆桥架敷设路径宜避开可能受到机械损伤、振动、腐蚀、紫外线照射及热辐射的地方。
4.1.5 电缆桥架不宜安装在热力管道的上方及腐蚀性液体管道的下方;对于腐蚀性气体的管道,当气体的比重大于空气时,宜安装在其上方,当气体的比重小于空气时,宜安装在其下方。
4.1.6 电缆桥架与各种管道平行或交叉时,其最小净距应符合表4.1.6的规定。

表4.1.6 电缆桥架与各种管道平行或交叉时最小净距
4.1.7 抗震设防烈度为6度及以上地区,建筑物内电缆桥架工程还应符合现行国家标准《建筑机电工程抗震设计规范》GB50981的有关规定。
4.1.8 绿色建筑工程中的电缆桥架,应选用生产工艺符合环保要求的产品。
4.2 电缆桥架型式选择
4.2.1 对油、腐蚀性液体、易燃粉尘等环境及户外对日照有防护要求的电缆敷设场所,应采用有盖无孔型托盘。
4.2.2在洁净环境或线缆需要频繁引人、引出的场所,宜选用网格式金属电缆托盘。
4.2.3 除本规程第4.2.1条、第4.2.2条的场合外,可选用有孔无孔托盘或梯架。
4.2.4在易积灰和其他需遮盖的环境或户外场所,托盘、梯架宜带有盖板;户外无孔托盘应设排水孔。
4.2.5垂直安装的电缆桥架,应选用梯架或有电缆绑扎带固定功能的托盘。
4.2.6在公共通道或户外跨越道路段,底层电缆桥架宜采用托盘或底部加防护板的梯架。
4.2.7 在电缆桥架分支、引上或引下处宜设弯通;因受空间条件限制无法设置弯通或有特殊要求时,可选有铰链连接板或连续铰接板;连接两段不同宽度或高度的托盘、梯架可配置变宽度或变高度连接板。
4.2.8 支、吊架和其他所需附件,应按工程布置条件选择。
4.3 载荷等级选择
4.3.1 工作载荷不应大于所选载荷等级的安全工作载荷,常用规格托盘、梯架的安全工作载荷等级应符合本规程第3.5.6条的规定。当支、吊架的实际跨距大于产品规定时,工作载荷应按下式进行折算:
qG≤qE(L/LG)2 (4.3.1)
式中: qG–允许工作载荷(N/m);
qE–产品安全工作载荷(N/m);
L–产品规定跨距(m);
LG–实际跨距(m)。
4.3.2当安装或检修无须思考附加聚焦载荷时,工作载荷可按电缆自重均匀分布计。
4.3.3 电缆桥架严禁作为人行通道或站人平台。
4.3.4对跨距大于标准长度或户外风雪作用等特殊载荷的电缆桥架,应采用加强型,并按工程条件进行强度、刚度、稳定性计算和试验验证。
4.4电缆桥架规格选择
4.4.1托盘、梯架及网格式金属电缆托盘的规格,应按下列要求选择:
1.电缆在托盘、梯架及网格式金属电缆托盘内的填充率:动1力、照明电缆不应超过50%、弱电及控制电缆不应超过70%,且宜预留10%~25%的工程发展裕量;
2所选托盘、梯架及网格式金属电缆托盘规格的承载能力,应符合本规程第4.3.1条、4.3.2条的规定;
3.安全工作载荷下的相对挠度不应大于其跨距的1/200.
4.4.2 托盘、梯架直线段,宜按单件标准长度选择
4.4.3 各类弯通及附件规格,应适合工程布置条件,并与托盘、梯架相配套。
4.4.4支、吊架规格选择,应按托盘或梯架规格、层数、跨距等条件配置,并应满足载荷的要求。
4.5 防腐处理方式选择
4.5.1桥架应按工程环境条件、重大性、一次性防腐处理具有的耐久性和技术经济性等因素,选择适宜的防腐处理方式。
4.5.2 托盘、梯架宜按表4.5.2选择适于工程环境条件的表面防腐处理方式,环境条件等级的划分应符合现行行业标准《户内户外钢制电缆桥架防腐环境技术要求》JB/T6743的规定。

表4.5.2 托盘、梯架常用表面防腐处理方式选择

续表
注: 1.预涂彩钢板用于户外,宜选用聚偏乙(PVDF)涂层;
2.热浸锌表面防腐工艺用于中等和强腐蚀条件时.表面必须钝化处理
4.5.3 选用不锈钢电缆托盘或梯架时,强腐蚀环境应采用022Cr17Ni12Mo2,其他环境可采用06Cr19Ni10N或022Cr19Nil0N。
4.5.4 对于需要思考电缆桥架与电缆等寿命的场所,宜选择聚偏氟乙烯彩钢(PVDF)涂层或耐腐气相缓蚀(VCI金属无机涂层电缆桥架。
4.5.5 对于需要通过颜色来标识不同桥架用途的场所,宜选用彩色涂层钢板电缆桥架。
4.6 支、吊架配置
4.6.1 确定支、吊架的跨距时,应满足本规程第4.4.1条中第2、3款的要求。电缆桥架水平安装时,宜按载荷选取最佳跨距作支撑,且支撑点间距不宜大于2000mm,当不能满足要求时,宜采用大跨距电缆桥架。支、吊架的间距也可按厂家提供的产品特性数据选用。
4.6.2 弯通段的支、吊架配置应符合下列规定:
1 当弯通的弯曲半径小于300mm时,应在距弯通与直线段接合处300mm~600mm的直线段侧设置一个支、吊架;
2 当弯通的弯曲半径不小于300mm时,除应符合本条第1款规定外,尚应在弯通段中部增设一个支、吊架。
4.6.3 垂直单层布置托盘、梯架时,支架间距不应大于2000mm;多层布置时,支架间距应通过结构计算确定。
4.6.4 立柱应与托盘、梯架层间的距离以及配置层数要求相适应。
4.7 防火
4.7.1电缆桥架在穿越防火墙及防火楼板时,应采取防火封堵措施。
4.7.2 防火封堵、防火层的设置,应符合现行国家标准《建筑设计防火规范》GB50016的相关要求,按电缆桥架贯穿孔洞的形状和条件,采用相应的防火封堵材料或防火封堵组件,防火封堵材料不应对电缆桥架的防腐层造成损害。
4.8 接地
钢制电缆桥架系统的起始端和终端应与建筑物接地装置4.8.1可靠连接,全长大于30m时,每隔20m~30m应增加一个接地连接点。
4.8.2在伸缩缝或连续铰连接处应采用铜软导线或编织铜线连接,其截面积不应小于 16mm2。
4.8.3 钢制电缆桥架在出入建筑物时,应就近与总等电位接地装置进行联结。
4.9 电缆桥架工程设计文件
4.9.1 电缆桥架工程设计应绘制电缆桥架系统的平面布置图,注明电缆桥架型号、规格及安装高度,如电缆桥架设置隔离板,应注明分隔位置。复杂工程还宜包括:
1.电缆桥架系统的有关剖面图。剖面图应注明电缆桥架编号、规格、安装高度;
2.电缆桥架内电缆路径表。该路径表包含桥架编号、电缆编号、电缆型号和电缆起、终点;
3.选用托盘、梯架直线段、弯通、支吊架的型号、规格和数量的明细表;
4.电缆桥架安装说明
4.9.2 工程中有特殊要求的电缆桥架非标准件,其设计文件应附有非标准件的详图和技术说明。
5 电缆桥架安装及验收
5.1 电缆桥架安装
5.1.1 电缆桥架安装应依据电气施工图纸,并应符合下列规定:
1.施工方在向电缆桥架制造商提供订单前、宜按电气施工图对电缆桥架的走向进行测量,绘制测量图;
2.宜采用标准产品及工厂预制件;
3.托盘、梯架分段应合理,连接部位不应置于穿墙、楼板孔洞内。
5.1.2 电缆桥架安装应在下列条件具备后进行:
1.土建施工已结束,井道封顶已完工,周围环境干净;
2.穿越墙面、楼板的孔洞位置正确;
3.需连接的电气设备位置已确定。
5.1.3 钢制托盘、梯架本体之间的连接应牢固可靠,与保护导体的连接应符合下列规定:
1.托盘、梯架全长不大于30m时,不应少于2处与保护导体可靠连接;全长大于30m时,每隔20m~30m应增加一个连接点,起始端和终点端均应可靠接地;
2.非镀锌托盘、梯架本体之间连接板的两端应采用截面不小于4mm2的铜芯跨接线跨接;
3.镀锌托盘、梯架之间不跨接保护联结导体时,连接板每端不应少于2个有防松螺帽或防松垫圈的连接固定螺栓;
4当托盘、梯架表面有绝缘涂层时,应将接地点或需要电气连接处的绝缘涂层清理干净或其他确保电气连接的措施。
5.1.4 托盘、梯架转弯、分支处宜采用专用连接配件,其弯曲半径应满足本规程第4.1.2条的规定。
5.1.5当直线段托盘、梯架直线段长度超过30m时,应设置伸缩装置;当托盘、梯架跨越建筑物变形缝处时,应设置补偿装置。
5.1.6 托盘、梯架与支架间及与连接板的固定螺栓应紧固无遗漏,螺母应位于托盘、梯架外侧。
5.1.7 当设计无要求时,托盘、梯架安装应符合下列规定:
1.托盘、梯架安装应牢固.横平竖直,沿梯架、托盘水平走向的支架左右偏差不应大于10mm,其高低偏差不应大于5mm;
2.托盘、梯架宜敷设在易燃易爆气体管道和热力管道的下方;
3.托盘、梯架与水管同侧上下敷设时,宜安装在水管的上方;
4.与热水管、蒸气管平行上下敷设时,应敷设在热水管、蒸气管的下方;
5.托盘、梯架周围的空间应满足线缆敷设、维护的需要;
6.敷设在电气竖井内穿楼板处和穿越不同防火区的托盘、梯架,应有防火封堵措施;
7.对于敷设在室外的托盘、梯架,当进人室内或配电箱(柜)时应有防雨水措施。由室外较高处引向室内时,托盘、梯架应先向下倾斜,然后水平引入室内。当采用托盘时,宜在室外水平段改用一段梯架,并在墙体交接处采用封堵防渗;
8.有防雷要求的电缆桥架,外壳应与防雷接地装置可靠连接。
5.1.8 支、吊架设置应符合设计或产品技术文件要求,支、吊架安装应垂直、无明显扭曲,并应符合下列规定:
1.未征得结构专业许可,主体钢结构构件上,不得焊接支、吊架;
2.水平安装的支架间距宜为1500mm~2000mm,转角安装的支架间距宜为300mm~600mm;垂直安装的支架间距不应大于2000mm;
3.采用圆钢吊架时,圆钢直径不得小于10mm,并应有防晃措施,在分支处或端部300mm~500mm处应有固定措施;
4.敷设在电气竖井内的电缆托盘或梯架,其固定支架不应安装在固定电缆的横担上,且每隔3层~5层应设置承重支架;
5.与预埋件焊接固定时,焊缝应饱满,且不应大于8mm,焊缝长度不应少于25mm;
6.膨胀螺栓固定时,螺栓应适配,防松零件齐全,并应符合现行行业标准《混凝土结构后锚固技术规程》GJ145的有关规定;轻型墙体禁止采用膨胀螺栓固定安装。
5.1.9在有腐蚀环境条件下安装的电缆桥架,应采取措施防止电缆桥架表面涂层损坏,在切割、钻孔后应对其裸露的钢制基板表面用相应的防腐涂料或油漆修补。5.1.10线缆保护管与电缆托盘连接时,应采用专用的连接器或其他防止电缆损伤措施。
5.1.11敷设电缆时,应避免拖、拉电缆造成电缆桥架防腐层的摩擦损伤。
5.1.12 金属支、吊架应进行防腐处理,位于室外及潮湿场所的应按设计要求做处理。
5.1.13 梯架、托盘严禁作为人行通道、梯子或站人平台,其支、吊架不得作为吊挂设计以外重物的支架使用。
5.2 电缆桥架工程验收
5.2.1 托盘、梯架连接部位位置应符合本规程第5.1.1条的规定。
5.2.2 托盘、梯架本体之间的接地应符合本规程第4.8.1条、第4.8.2条和第5.1.3条的规定。
5.2.3 托盘、梯架端部之间的连接电阻不应大于50mΩ。5.2.4托盘、梯架直线段伸缩节、补偿装置设置应符合本规程第
5.1.5 条的规定。
5.2.5 托盘、梯架的平直度,防火封堵、防水等措施应符合本规程第5.1.7条的规定
5.2.6支、吊架安装间距应符合本规程第5.1.8条第2款的规定。
5.2.7电缆桥架表面涂层不应有明显的损伤,5.2.8 彩色涂层钢板电缆桥架表面的保护膜应在电缆敷设后全部清除。
附录A电缆桥架的结构分析及计算
A.0.1 电缆桥架应进行整体作用效应分析;同时应对电缆桥架中受力状况特殊部位进行深化分析。
A.0.2 当电缆桥架在施工和使用期间有多种受力情况时,应分别对各种工况进行结构分析,按其最不利的状况进行设计分析。户外电缆桥架可能遭遇飓风、雪载荷等偶然作用时,尚应按照国家现行有关标准的要求进行结构分析。
A.0.3结构分析的模型应符合下列规定:
1.结构分析采用的计算简图、几何尺寸、计算参数,边界条件、网格划分、结构材料性能指标以及构造措施等应符合产品实际情况;
2.结构上的作用应符合实际工况;
3.各种近似假定和简化,应具有理论、试验依据或经工程实践验证;计算结果的精度应满足工程设计的要求,
A.0.4 结构分析应符合下列规定:
1.满足力学平衡条件;
2 结构分析应采用弹性分析方法。
A.0.5 结构分析所采用的计算软件应经考核和验证,其技术条件应符合国家现行有关标准的要求。同时应对分析结果进行判断和校核,保证分析结果的合理性。
A.0.6 模型结构分析宜按空间体系进行结构整体分析。体型简单、规则,传力明确的空间结构,可沿不同方向分解为平面结构分别进行分析。
A.0.7 托盘、梯架应采用空间体系进行整体分析,并应符合下列计算要求:
1.托盘计算模型单元采用板单元;
2.梯架侧边为板时采用板单元,梯架侧边为型钢时采用梁或实体单元;
3.计算模型的板单元的网格划分大小不宜大于10mm。A.0.8 电缆桥架结构构件的强度、稳定、长细比计算均应满足现行国家标准《钢结构设计标准》GB50017《冷弯薄壁型钢结构技术规范》GB50018的有关规定;不锈钢电缆桥架结构构件的强度计算应符合现行协会标准《不锈钢结构技术规程》CECS410的有关规定。
附录B电缆桥架载荷试验
B.0.1 电缆托盘、梯架产品在各种载荷等级、跨距条件下,经计算所得的结果应进行载荷试验验证。
B.0.2 电缆托盘、梯架载荷试验应符合下列规定:
1.应对每一种结构或规格的电缆托盘、梯架取一件无拼接的直线段作为试样;
2.试验支承型式应为简支梁,托盘、梯架两端及两侧不受任何约束;试验支承跨距采用计算跨度,允许偏差士30mm;
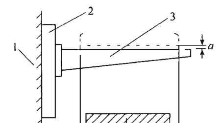
3.试验用支架应按图B.0.2所示,圆钢2应焊接在底座3上;

图B.0.2 试验用支架示意
1一托盘、梯架试件;2–p25圆钢;3-钢支架底座;4-倒V形钢支座(宽30mm、高20mm,中间开深5mm、120°的V形槽)
4.试样应水平置放在支架上,两端用V字形钢条支撑,两个圆钢中心距离为试验跨距长度,试件两端的外伸长度相等;
5.载荷材料可采用钢条、铅锭或其他材料,钢条可用厚53mm、宽30mm~50mm、长度不大于1000mm的扁钢,其他载荷材料宽度不应大于125mm,长度不应大于300mm,最大重量不应超过 5kg;
6.当采用厚1mm,长度不大于1000mm的钢板或网板置放在梯架的横档上时,两块钢板之间不应搭接,钢板重量应计人载荷总重量;
7.试验载荷应按本规程第3.5.6条确定;
8.试验载荷应至少分10次加载,每次增载值相等,首次加载值=试验载荷÷10(N/m),二次加载值=首次加载值*2(N/m),三次加载值=首次加载值*3(N/m),其余依次类推;
9.托盘、梯架每次加载完成后,应按本条第11款的要求测量挠度值,并做好记录,随即卸载,让桥架复原,再进行下一次加载,再次测量、记录,依次类推;
10.试验应满足下列要求:
1)按本条第7款在试样上加载至安全工作载荷,测量试样中心点(即试样纵、横向中心线交叉点)产生的相对挠度值不得大于试样跨距的1/200;
2)按本条第7款在试样上加载至1.5倍的安全工作载荷试样不应出现翻边或侧边出现“塑性曲屈–皱折”现象;
3)按本条第7款在试样上加载至1.5倍的安全工作载荷卸载后试样不应出现永久变形;测量点应分别为试样两侧边下部中心和试样底部中心。
11.托盘、梯架的挠度测量应采用游标高度尺或百分表等量具测量挠度,量具精度不低于0.02mm;
12.载荷特性及挠度曲线应根据计算及试验结果进行绘制。B.0.3 支、吊架载荷试验应符合下列规定:
1.每种型式、结构、规格的支、吊架(包括托臂、立柱、吊杆、螺栓等附件)应各取一套作为试样;
2.支吊架固定体应为刚性结构,并满足试验载荷要求,支、吊架固定体及试样定位方式,应按图B.0.3-1~图B.0.3-3所示;

图B.0.3-1支架定体和定位方式

图 B.0.3-2支架固定体和定位方式

图B.0.3-3吊架固定体和定位方式
1-支、吊架固定体;2-支、吊架或立柱:3-托臂
3.支、吊架试验载荷应按下式确定
W=L(n0qE+G) (B.0.3)
式中: L–支、吊架相邻两侧等跨布置时的跨距;
qE–每层托盘、梯架的安全工作载荷;GE
G–托盘、梯架及盖板、附件自重;
no–安全系数,取1.5。
4.支、吊架载荷试验加载应符合下列规定:
1)应按托盘、梯架的两侧边在托臂上的位置吊挂载荷,载荷可用钢块、铅锭或其他比重较大的材料,盛装载荷材料的容器、吊具的重量应计人载荷总重量;
2)试验时应不少于5次加载,每次加载重量相等;
3)当立柱或吊杆支承多层托臂时,应以各层托臂同时承受各自的试验载荷进行整体试验。
5.支、吊架载荷试验测量与检查应符合下列规定:
1)每次加载后,应用百分表等量具测量4、6处的位移或变形量以及卸载后的残余变形量,量具精度不应低于0.02mm;
2)检查焊口或螺栓连接处,不应有裂纹和变形损坏,卡接式托臂不应出现下滑;
3)应列出载荷与位移或变形量的关系曲线或数据表。
附录C电气连续性试验
C.0.1试品应包括两个直线段和与之配套的连接板及连接螺栓等。
C.0.2 试验方法及判定应符合下列规定:
1.测试样品应用除油剂清洗干净,当防护层为非导电性涂层时,应去除测试部位的涂层;
2.用连接板把两个直线段试样连接在一起;
3.在样品上施加25A士0.1A的交流电,电流的频率为50Hz~60Hz,由一个空载电压不超过12V的电源提供的;
4.应按图C.0.2的布置测量距连接板各端50mm士20mm处A、B之间的电压降,然后再测无接点处C、D之间的电压降根据电流和电压降计算阻抗值,其电阻值应符合本规程第3.7.4条的规定,出厂检验时,只检验A,B之间的阻抗值是否符合要求。

图C.0.2电气连续性试验布置





















暂无评论内容