刚学电工那会,我对着满纸花花绿绿的电路图,简直像看天书 —— 电阻、电容、断路器的符号混在一起,越看越慌,生怕接错一根线。后来跟着工地的老师傅学了阵子才清楚,实则看懂电路图的关键,先得把最基础的 “电气符号” 吃透。今天就把老师傅教我的这些干货,用大白话跟你聊聊,咱们从根上解决看电路图的难题~
✨ 先搞懂:为啥要有电气符号?
不管是家里的照明电路,还是工厂里的动力系统,实际接线都是一堆元器件连起来的 —— 列如开关、电机、导线这些。要是画图时都画实物,你想想:一个电机画个大铁壳,一根导线画条粗线,图上肯定乱得像一团毛线,别说别人看不懂,自己过两天再看都得懵。
为了省事还能让大家都看清楚,电气符号就应运而生了。简单说,就是用特定的图形和字母,取代复杂的实物,列如用 “○里加 3M” 代表三相电机,用 “L” 代表火线。记住这些 “暗号”,看电路图就能像看中文一样顺溜~
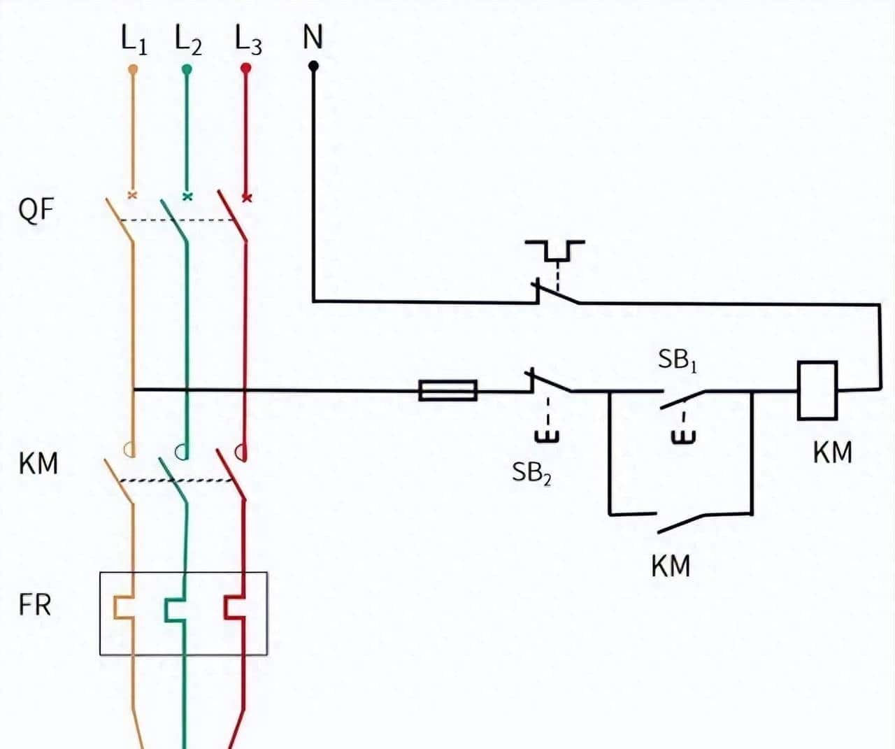
️ 先看个实际例子:电动机单相启动电路图
咱们先从一张具体的图入手,更有概念。下面这张图(图 A)是最常见的电动机单相启动电路,你目前可能还看不懂细节,但别急,等咱们学完符号,再回头看它,就会发现实则很简单~

图 A 电动机单相启动电路图
一、图形符号:电路图里的 “简笔画”
图形符号就像电路图里的 “简笔画”,用简单的线条、图形,代表一个个电气元件。列如断路器、火线零线,都有专属的 “简笔画”。它主要由 3 部分组成:符号要素、一般符号、限定符号,咱们一个一个说清楚。
01 符号要素:不能单独用的 “零件”
符号要素就像拼图的小零件,单独拿出来没意义,得跟其他 “零件” 拼在一起,才能代表一个完整的元件。
举个老师傅教我的例子:画三相交流电动机的符号时,得先画个圆(图 1-1 里的 a),这是电机的 “轮廓”;再在圆里写 “3M”(图 1-1 里的 b),代表 “三相电机”;最后在圆外面加个 “~”(图 1-1 里的 c),代表 “交流”。把这三部分拼起来,才是完整的三相交流电动机符号(图 1-1 里的 d)。
你看,少了哪个 “零件” 都不行 —— 只画圆,别人不知道是电机还是别的;只写 “3M”,没圆的轮廓也不像元件。这就是符号要素的特点:必须组合使用。

图 1-1 符号要素
02 一般符号:能单独用的 “基础款”
一般符号就像 “基础款模板”,既能单独用,也能跟其他符号组合,灵活得很。
老师傅给我举过双极断路器的例子:它的符号是怎么来的呢?第一有个 “开关的一般符号”(图 1-2 里的 a),这是最基础的 “模板”;然后加个代表 “断路器功能” 的符号(图 1-2 里的 b),告知大家这是断路器不是普通开关;最后加个 “联动连杆”(图 1-2 里的 c),由于双极断路器是两个触点一起动的。把这三个拼起来,就是双极断路器的符号(图 1-2 里的 d)。
要是单独用 “开关的一般符号”(a),也能代表普通的单极开关,这就是它 “能单独用” 的好处~

图 1-2 一般符号的应用
03 限定符号:给符号 “加注解”
限定符号就像给符号加了 “注解”,告知大家这个元件的特殊功能。它大多时候不能单独用,但偶尔也能当一般符号用。
列如热继电器的触点符号,你知道是怎么画的吗?先找 “开关的一般符号”(图 1-3 里的 a),这是基础;然后加个 “热继电器的限定符号”(图 1-3 里的 b)—— 这个小符号专门代表 “热保护” 功能;最后加个 “联动连杆”(图 1-3 里的 c),由于触点是联动的。拼起来就是热继电器触点的符号(图 1-3 里的 d)。
这里的限定符号(b)特别关键,要是没它,别人可能会把这个符号当成普通开关的触点,就看不出 “热保护” 的功能了~

图 1-3 限定符号的应用
二、文字符号:电路图里的 “拼音 / 字母”
光有图形符号还不够,有时候得用文字符号标注,就像给 “简笔画” 加名字。文字符号一般是拉丁字母或数字,要么标在图形符号旁边,要么单独用,一看就知道这个元件是啥、有啥用。
01 文字符号的作用:解决 “认不清” 的问题
你想啊,要是图上只有图形符号,万一两个元件的图形长得像,很容易搞混。列如普通开关和断路器的图形有点像,这时候标上文字符号 ——“SB” 代表按钮开关,“QF” 代表断路器,一下子就分清了。
简单说,文字符号的作用就是:①告知我们元件的种类(是电机还是开关);②说明它的功能或状态(是交流还是直流,是开还是关)。
02 文字符号的分类:3 种类型,各有分工
文字符号主要分 3 类:基本文字符号、辅助文字符号、数字代码。咱们一个个说,结合日常例子你就懂了。
(1)基本文字符号:代表 “元件种类”
它就像元件的 “姓氏”,告知你这是哪一类元件,分单字母和双字母两种。
- 单字母符号
- :用一个拉丁字母代表一类元件,特别好记。列如老师傅常说 “M 代表电机”,家里的风扇、洗衣机里的电机,电路图上都标 “M”;火线标 “L”,零线标 “N”,接线时看这两个字母就不会接反。
- 双字母符号
- :一个字母表 “类别”,另一个表 “特性”,更精准。列如接触器标 “KM”——“K” 代表 “自动控制类元件”,“M” 代表 “电机”,合起来就是 “控制电机的接触器”;还有熔断器标 “FU”,“F” 是 “保护类元件”,“U” 是 “熔断器”,一看就知道是保护电路的。
(2)辅助文字符号:代表 “功能 / 状态”
它像元件的 “名字”,告知你元件的具体功能或当前状态,一般是英文单词的首字母,不超过 3 个字母,很直观。
列如 “AC” 代表交流(英文 “Alternating Current”),家里的插座是交流电,电路图上会标 “AC”;“ON” 代表 “开”,“OFF” 代表 “关”,开关旁边标这两个字母,一看就知道怎么操作;还有电机启动标 “RUN”(英文 “运行”),停止标 “STOP”,按钮上常印这两个词,跟电路图上的符号对应得上。
(3)数字代码:代表 “序号 / 区分”
当电路里有多个同类元件时,数字代码就派上用场了,用来区分它们,避免混淆。
列如家里的配电箱里,有好几个断路器,分别控制客厅、卧室、厨房的电路,这时候就标 “QF1”(客厅)、“QF2”(卧室)、“QF3”(厨房),检修时说 “QF2 跳闸了”,一下子就知道是卧室的电路有问题。
还有三相电的火线,标 “L1”“L2”“L3”,接线时按顺序接,就不会接错相位;步进驱动器的拨码开关,“1” 代表开,“2” 代表关,调参数时看数字就行。数字可以在字母前,也可以在字母后,只要统一就行。
三、常用符号对照表:收藏起来,随用随查
电气元件成千上万,但咱们日常用的实则就那几十种。下面这几张表,是老师傅整理的 “常用图形符号和文字符号对照表”,涵盖了开关、电机、保护元件等常用符号,提议你收藏起来,看电路图时翻一翻,用得多了自然就记住了~



最后跟你说句心里话:我刚学这些符号时,也总记混,列如把 “KM” 和 “KA”(继电器)搞反,后来老师傅让我拿着电路图,对照着实物一个个认,列如看家里的配电箱,找 “QF”(断路器)、“PE”(地线)的符号,慢慢就熟了。
实则看懂电气符号没那么难,关键是多记、多对照实物看。下次你再看电路图,先找图形符号,再看旁边的文字符号,一步步来,肯定能越来越顺。要是有不懂的地方,也可以在评论区问我,咱们一起交流~



![在苹果iPhone手机上编写ios越狱插件deb[超简单] - 鹿快](https://img.lukuai.com/blogimg/20251123/23f740f048644a198a64e73eeaa43e60.jpg)













暂无评论内容